可用CTRL+F搜尋
尺寸單位:公分cm 陶瓷盆公差:0.5公分
榮際(本廠自製盆型)
| 廠牌 | 盆型 | 檯面盆孔 | 外徑 | 備註 |
| 榮際 | DB2槽(人造石一體盆) | 43×54.5 | 47.5×59.5 |
下嵌盆
| 廠牌 | 盆型 | 檯面盆孔 | 外徑 | 備註 |
| 隆昌 | L174下嵌盆 | 37.5×53 | 46×61 | |
| 隆昌 | L175下嵌盆 | 30.5×46 | 54×38.5 | |
| 隆昌 | L178下嵌盆 | 37.5×50 | 45×58.5 | |
| 隆昌 | L179下嵌盆 | 37.7×45 | 44×52 |
| 廠牌 | 盆型 | 檯面盆孔 | 外徑 | 備註 |
| 和成 | L337下嵌盆 | 34.3×42 | 40×54.5 | |
| 和成 | L347下嵌盆 | 33.3×47.6 | 40×54.5 | |
| 和成 | L4010下嵌盆 | 36×60.7 | 46×71 | 盆厚6cm |
| 和成 | L4011下嵌盆 | 32.7×44 | 42×53 | |
| 和成 | L4056下嵌盆 | 38.8×53.7 | 48×62.5 | 龍頭8 三孔淨空間56cm |
| 和成 | L4057下嵌盆 | 43×61 | 36.7×55 | |
| 和成 | L4080下嵌盆 | 41×68 |
| 廠牌 | 盆型 | 檯面盆孔 | 外徑 | 備註 | 圖檔 |
| 凱撒 | L5111下嵌盆 | 37.5×51.2 | 43×56.5 | 無法做H型檯面 | |
| 凱撒 | L5113下嵌盆 | 40×53.5 | |||
| 凱撒 | L5115下嵌盆 | 33×40 | 38.5×45.5 | ||
| 凱撒 | L5117下嵌盆 | 39.5×47.5 | 46×54 | ||
| 凱撒 | L5119下嵌盆 | 35.5×53 | 淨空間至少52.2cm | ||
| 凱撒 | L5121下嵌盆 | 34.5×52 | |||
| 凱撒 | L5125下嵌方盆 | 46×35 | 52.5×40 | L5128 | |
| 凱撒 | L5127下嵌方盆 | 37×37 | 43.5×43.5 | 用凱薩L5128盆 | |
| 凱撒 | L5128下嵌方盆 | 36×36 | 45×45 | 圖 | |
| 凱撒 | L5130下嵌方盆 | 30×58 | 38.5×66.5 | 圖 | |
| 凱撒 | WB1608 | 49.5×35.5 | 57×43 |
| 廠牌 | 盆型 | 檯面盆孔 | 外徑 | 備註 |
| 振吉 | L1823下嵌方盆 | 42.5×32.5 | 50.5×40.5 | 圖 |
| 振吉 | L1823X下嵌盆 | 45×37 | 52×44.5 |
| 廠牌 | 盆型 | 檯面盆孔 | 外徑 | 備註 | 圖檔 |
| 美標 | L0470下嵌盆 | 33×40 | 40×48 | ||
| 美標 | CP0488 | 29×43.5 | 39×53 | 圖 |
| 廠牌 | 盆型 | 檯面盆孔 | 外徑 | 備註 |
| Inax | AL2298 | 33×48 | 41×56 |
| 廠牌 | 盆型 | 檯面盆孔 | 外徑 | 備註 |
| Kohler | 2215 | 34×51 | 40.9×59 |
| 廠牌 | 盆型 | 檯面盆孔 | 外徑 | 備註 |
| Caroma | WB1608下嵌盆 | 49.5×35.5 | 57×43 | |
| Caroma | WBFC1602 | 28×48 | 36.5×56 |
| 廠牌 | 盆型 | 檯面盆孔 | 外徑 | 備註 |
| 電光 | L0470下嵌盆 | 40×33 | 40×48 | |
| 電光 | L1840下嵌盆 | 40×33 | 40×48 | 107年版03.09 |
| 電光 | L1860下嵌盆 | 30.5×41 | ||
| 電光 | L1880下嵌盆 | 32×53 | 38×59.5 | |
| 電光 | L1880下嵌盆 | 26.5×47 | 35×55.5 | 106年版02.07 |
| 電光 | L1890N下嵌盆 | 56×42.5 | ||
| 電光 | L1890N下嵌盆 | 34×49 | 57×42 | 106年版02.07 |
| 電光 | GL2250下嵌盆 | 30×48 | 37×60 | |
| 電光 | L2295下嵌盆 | 34.5×51.5 | 43×59.5 | 106年版06.26 |
| 電光 | L3150下嵌盆 | 34×44 | 42×55 | |
| 電光 | L3300下嵌盆 | 37.5×56 | 41×59 |
| 廠牌 | 盆型 | 檯面盆孔 | 外徑 | 備註 |
| 京典 | L523下嵌盆 | 33×47.3 | 同TOTO L546 | |
| 京典 | L525下嵌盆 | 44×56 | 淨空間53cm | |
| 京典 | L527下嵌盆 | 35.5×43.7 | ||
| 京典 | L533下嵌盆 | 32×51.5 | ||
| 京典 | L535下嵌盆 | 圓盆 | 直徑52 | 不需挖龍頭孔 |
| 京典 | L614B下嵌盆 | 圓碗公盆 | 直徑38 | 有開孔板模可做上嵌盆,需挖龍頭 |
| 京典 | L5501下嵌盆 | 28.5×51 | 38.5×60 | 同浴寶L540 同L521 |
| 京典 | L5502下嵌盆 | 31×44.5 | 37.5×51.5 | |
| 京典 | L5504下嵌盆 | 直徑37 | 直徑43 | 107.5.25以後改用新盆 |
| 京典 | L5505下嵌盆 | 39×48.5 | 45.5×55.5 | 用MB61檯面、鐵架也是 |
| 京典 | *新L5505 | 36×48 | 43×56 | |
| 京典 | L5507下嵌盆 | 35.5X43 | 40.5×49.5 | 檯面最小55×60 |
| 京典 | L5508下嵌盆 | 直徑45 | 直徑52 | 不需挖龍頭孔 |
| 京典 | L5510 | 31×47 | 40×56.5 | |
| 京典 | 四方一體盆檯面 | 46 or 56 | 32×53 | 46檯面可裁至43cm,56檯面可裁至52cm |
| 京典 | 四方一體盆檯面 | 46or56 | 27×43.5 | 盆邊離前緣約8.5cm,模具長246cm |
| 京典 | VB | 41.5×57 | 32×48 | |
| 京典 | 四方盆 | 31×46 | 檯面長度最小60cm | |
| 京典 | 四方盆 | 34×57 | 檯面長度最小65cm |
| 廠牌 | 盆型 | 檯面盆孔 | 外徑 | 備註 | 圖檔 |
| TOTO | L520下嵌盆 | 37.5×60.5 | 淨空間48cm,深度50需角架 | ||
| TOTO | L530下嵌/上嵌圓盆 | 直徑39cm | 直徑45cm | 可做上嵌盆 | |
| TOTO | L530K下嵌圓盆 | 直徑38cm | 直徑44cm | 淨空間53.5,浴櫃55cm,鐵架62cm,龍頭斜淨空間49cm | |
| TOTO | L537下嵌盆 | 31.1×39 | |||
| TOTO | L540下嵌盆 | 42×59 | |||
| TOTO | L546下嵌盆 | 33×47.3 | 40×55 | 槽板同京典L523下嵌盆 | 圖 |
| TOTO | L548下嵌盆 | 35×53 | 42×60 | 盆中心35cm以上,P、H不適用 | |
| TOTO | L580下嵌盆 | 36.5×54.5 | 漏水頭偏一邊,注意龍頭位置 | ||
| TOTO | L582下嵌盆 | 51.5×60 | |||
| TOTO | L583下嵌四方盆 | 52.5×53 | 不挖龍頭,淨空間57cm,預埋6支 | ||
| TOTO | L585下嵌盆 | 49×68.5 | 不挖龍頭,盆面前有斜度無法預埋L型 | ||
| TOTO | L586下嵌盆 | 49×56 | 不挖龍頭,淨空間53cm,預埋6支,浴櫃70cm,鐵架75cm | ||
| TOTO | L595下嵌盆 | 31×62 | 37.5×75 | 75cm含預埋位置,浴櫃80cm,鐵架85cm | |
| TOTO | L596下嵌盆 | 29.5×48 | 37.5×55 | 內徑31×50 | |
| TOTO | L620K下嵌盆 | 35.5×53 | 43×64.6 | 淨空間52cm | |
| TOTO | L765E下嵌盆 | 37.8×46 | 46×54 | ||
| TOTO | L912下嵌盆 | 52×69 | 不挖龍頭,預埋6支,建議用MB61檯面,盆重建議用鐵架 | ||
| TOTO | L932下嵌盆 | 50×68 | 不挖龍頭,預埋6支,盆重20公斤,建議用鐵架 | ||
| TOTO | L1504下嵌圓盆 | 直徑38 | 直徑47 | ||
| TOTO | L1504B下嵌圓盆 | 浴櫃深度最小57.5cm | |||
| TOTO | LW1513下嵌盆 | 30.5×42 | 37.5×50 | 圖 | |
| TOTO | LW1515B下嵌盆 | 34.5×47 | 44×57 | ||
| TOTO | LW1516下嵌盆 | 36×58 | 45×67 | ||
| TOTO | LW1536下嵌盆 | 31×51 | 38×59 | 有圖 | 圖 |
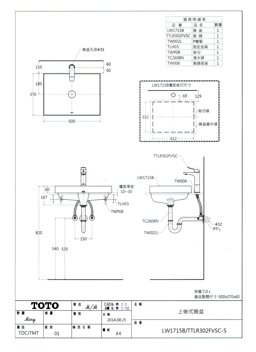
| TOTO | LW1715B下嵌盆 | 圖 |
半嵌盆
| 廠牌 | 盆型2009年舊版 | 檯面盆孔 | 外徑 | 備註 | 圖檔 |
| 隆昌 | L623半嵌盆 | 37×53 | 46×56 | 檯面深度至少40,貼邊高15cm | 圖 |
| 隆昌 | L622半嵌盆 | 40×46.5 | 檯面深度至少40,貼邊高15cm |
| 廠牌 | 盆型2009年舊版 | 檯面盆孔 | 外徑 | 備註 |
| 京典 | L551半嵌盆 | 39×55.6 | 需挖龍頭,檯面無後牆至少32cm,有後牆至少53cm | |
| 京典 | L5010半嵌盆 | 32.5×47.5 | ||
| 京典 | L5020半嵌盆 | 45×53 | 31×49.5 | 貼邊切6cm,貼邊12cm,檯面深31cm |
| 廠牌 | 盆型2009年舊版 | 檯面盆孔 | 外徑 | 備註 | 圖檔 |
| TOTO | L533半嵌盆 | 31X39.5 | 龍頭正後方至少42cm深(無後牆),有後牆至少45cm深 | ||
| TOTO | L641LW半嵌盆 | 直徑44 | 圖 | ||
| TOTO | L642半嵌盆 | 42×49 | 不挖龍頭,背部面盆深32cm,有圖 | 圖1. 圖2 | |
| TOTO | LW727半嵌盆 | 36×47.8 | 46×51 | 不挖龍頭,貼邊高度切4cm,貼邊高12cm | 圖1.圖2 |
| TOTO | L824半嵌盆 | 46×55 | 不挖龍頭,背部面盆深27cm | ||
| TOTO | L830半嵌盆 | 50×57 | 不挖龍頭,背部面盆深32cm,有圖 | 圖1.圖2 | |
| TOTO | L945半嵌盆 | 43×55 | 不挖龍頭 |
| 廠牌2009年舊版 | 盆型 | 檯面盆孔 | 外徑 | 備註 |
| Caroma | 661145半嵌盆 | 直徑43 | 需挖龍頭,落水頭中心到龍頭中心26cm(斜45度距離) |
| 廠牌2009年舊版 | 盆型 | 檯面盆孔 | 外徑 | 備註 |
| 美標 | F50A | 53×57.5 | 檯面深度至少47cm,半嵌盆重23kg,不必挖龍頭 | |
| 美標 | G50A | 50.5直徑 | 檯面深度至少37cm,半嵌盆重14.5kg,不必挖龍頭 | |
| 美標 | L0514 | 不需挖龍頭 |
| 廠牌2009年舊版 | 盆型 | 檯面盆孔 | 外徑 | 備註 |
| COCO | 8050 | 32×40 | 不必挖龍頭,背部面盆深32cm | |
| COCO | W863715 | 檯面最小深28cm,檯面最小長68cm |
| 廠牌2009年舊版 | 盆型 | 檯面盆孔 | 外徑 | 備註 |
| 凱圓 | L5153 | 43.5×53 | 不必挖龍頭,背部面盆深32cm |
| 廠牌2009年舊版 | 盆型 | 檯面盆孔 | 外徑 | 備註 |
| 金正益 | 661148 | 需挖龍頭 |
| 廠牌 | 盆型 | 檯面盆孔 | 外徑 | 備註 | 圖檔 |
| 金正益 | WBFC1018AC | 43×50 | 48.5×61.5 | 需挖龍頭 | 圖1 |
| 廠牌2009年舊版 | 盆型 | 檯面盆孔 | 外徑 | 備註 |
| SOTO | K2075 | 32×40 | 不必挖龍頭 | |
| SOTO | D5061 | 不必挖龍頭 | ||
| SOTO | SD8031D | 3343 | 45.5×46.5 |
| 廠牌2009年舊版 | 盆型 | 檯面盆孔 | 外徑 | 備註 |
| 和成 | LCP55 | 40×44.5 | 50×55 | 盆靠後 |
| 和成 | L323 | 48×53 | 盆上有龍頭 |
| 廠牌2009年舊版 | 盆型 | 檯面盆孔 | 外徑 | 備註 |
| 國寶 | L2214 | 34×47 | 50x50x17 | 盆重19kg,缺口6.3cm |
碗盆
| 廠牌 | 盆型 | 檯面盆孔 | 外徑 | 備註 | 圖檔 |
| TOTO | L312 | 12×25 | 47×60 | 盆可靠後牆,或放中間,不需挖龍頭 | |
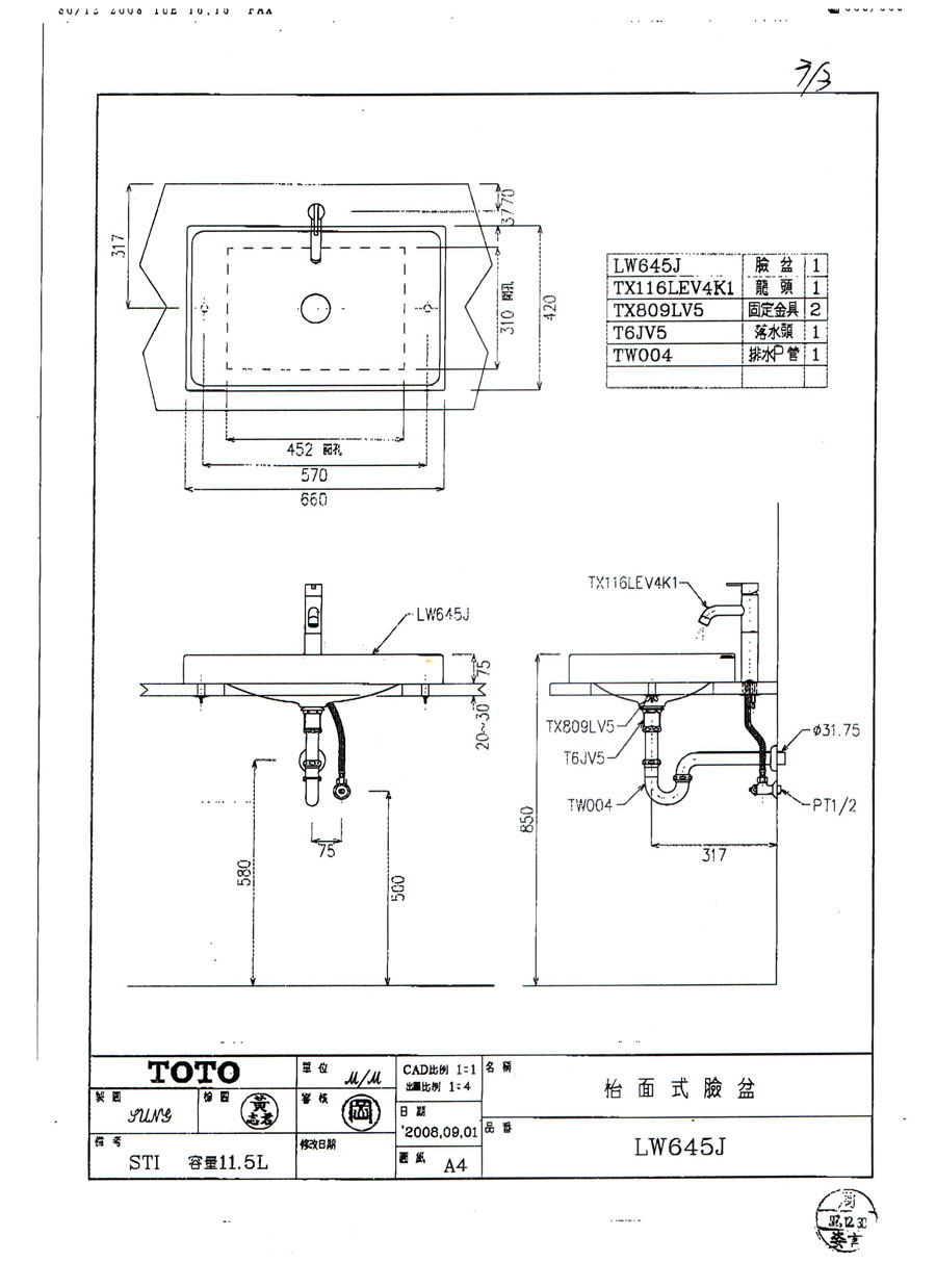
| TOTO | L315 | 依槽板 | 51×67 | 不需挖龍頭,不建議做後牆 | |
| TOTO | L316 | 41×55.5 | 50×65.5 | 若要挖底部3小孔依圖,不必挖龍頭 | |
| TOTO | 367 | 10×20 | 直徑50cm | 不需挖龍頭 | 圖 |
| TOTO | L387 | 直徑15cm | 直徑45cm | 需挖龍頭 | |
| TOTO | LW523GU | 10×13.5 | 直徑43cm | 需挖龍頭,需注意盆中心在4.5cm處 | 圖 |
| TOTO | L524 | 直徑10cm | 直徑45cm | 需挖龍頭 | |
| TOTO | L527 | 直徑35cm | 直徑45cm | 需挖龍頭*屬半嵌盆 | |
| TOTO | L528 | 直徑37cm | 直徑43cm | 需挖龍頭*屬半嵌盆 | |
| TOTO | L535 | 直徑10cm | 直徑50.5 | 需挖龍頭 | |
| TOTO | L640 | 直徑10cm | 50.5×51 | 龍頭中心距後牆7.5,盆中心距後牆21.5 | |
| TOTO | L645 | 31×45.2 | 42×66 | 需挖龍頭 | 圖 |
| TOTO | L648CJ | 直徑30 | 雙層外露,如只外露一層孔需大一點 | ||
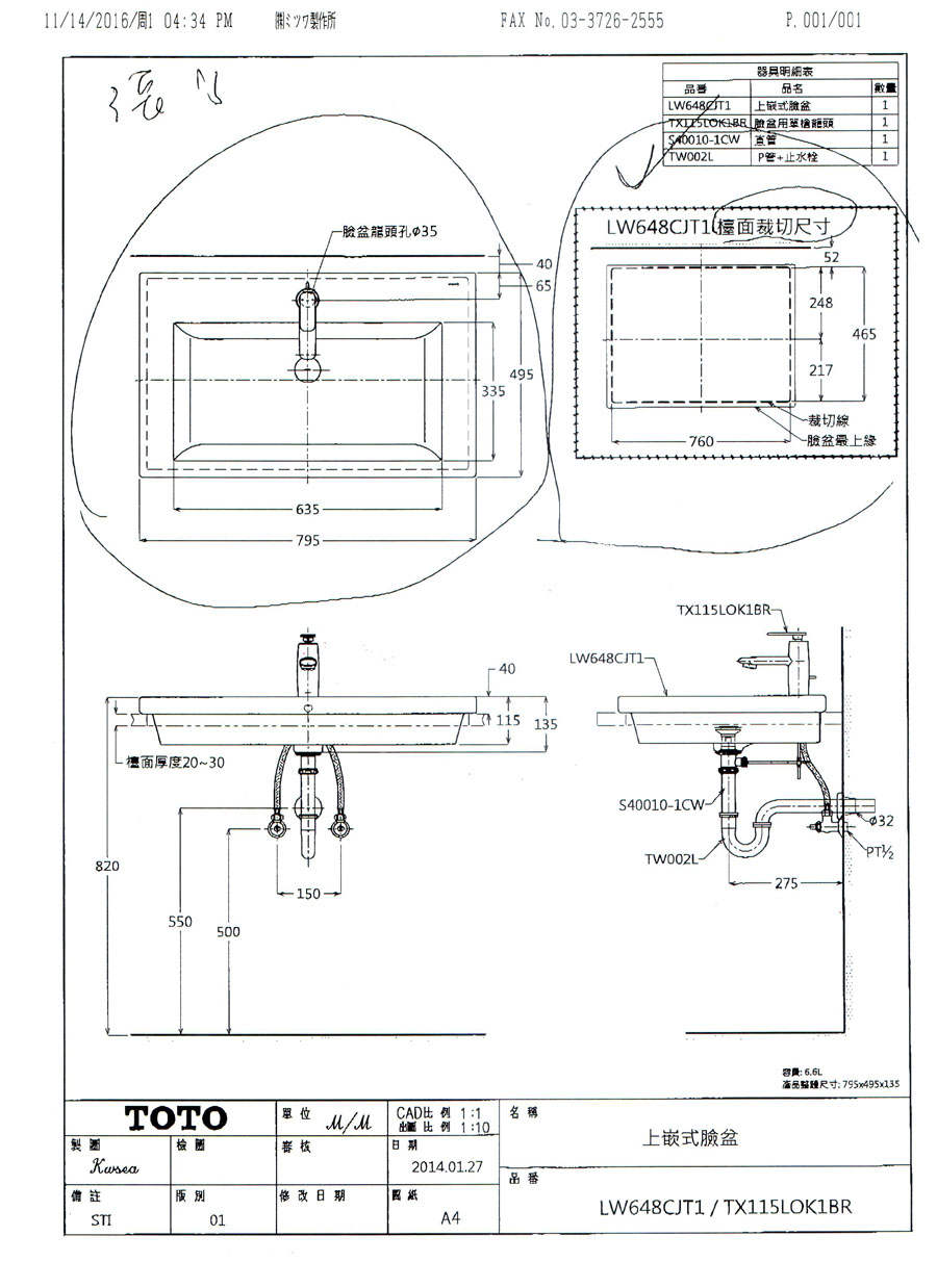
| TOTO | L648CJT1 | 46.5×76 | 49.5×79.5 | 不必挖龍頭,開孔距後面5.2cm | 圖 |
| TOTO | L681 | 直徑20 | 龍頭中心距後牆7cm,盆中心距後牆27 | ||
| TOTO | L700 | 直徑39 | 直徑49.5 | 不必挖龍頭 | |
| TOTO | L704B上嵌 | 直徑38 | 40×40 | ||
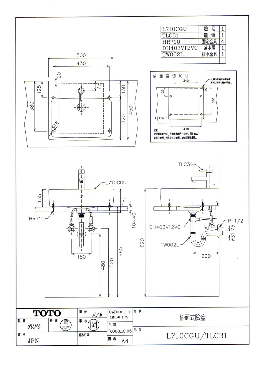
| TOTO | L710CGU | 45×50 | 圖 | ||
| TOTO | L710CGUR | 依板 | 45.5×50 | 不必挖龍頭 | 圖 |
| TOTO | L710CSER | 38×43.8 | 45×50 | 不必挖龍頭 | |
| TOTO | L711 | 33×38 | 開孔距後5.3cm | ||
| TOTO | L715 | 21×30 | 36×60.5 | 前後21,左右30,龍頭中心距開孔邊4.5 | |
| TOTO | L791 | 22×28 | 無後牆挖孔邊距後面6.5cm有圖不挖龍頭 | ||
| TOTO | L818 | 直徑11 | 漏水頭中心距前緣13cm,漏水頭中心距龍頭中心24cm | ||
| TOTO | L818J | 圖 | |||
| TOTO | L911 | 依板 | 以圖為準 | ||
| TOTO | L966 | 10×20 | 46×56 | 不必挖龍頭,從後距8cm開始挖 | |
| TOTO | L1616 | 依板 | 46×60.5 | 中心距後28cm,龍頭中心距後6cm,深度至少53cm | 圖 |
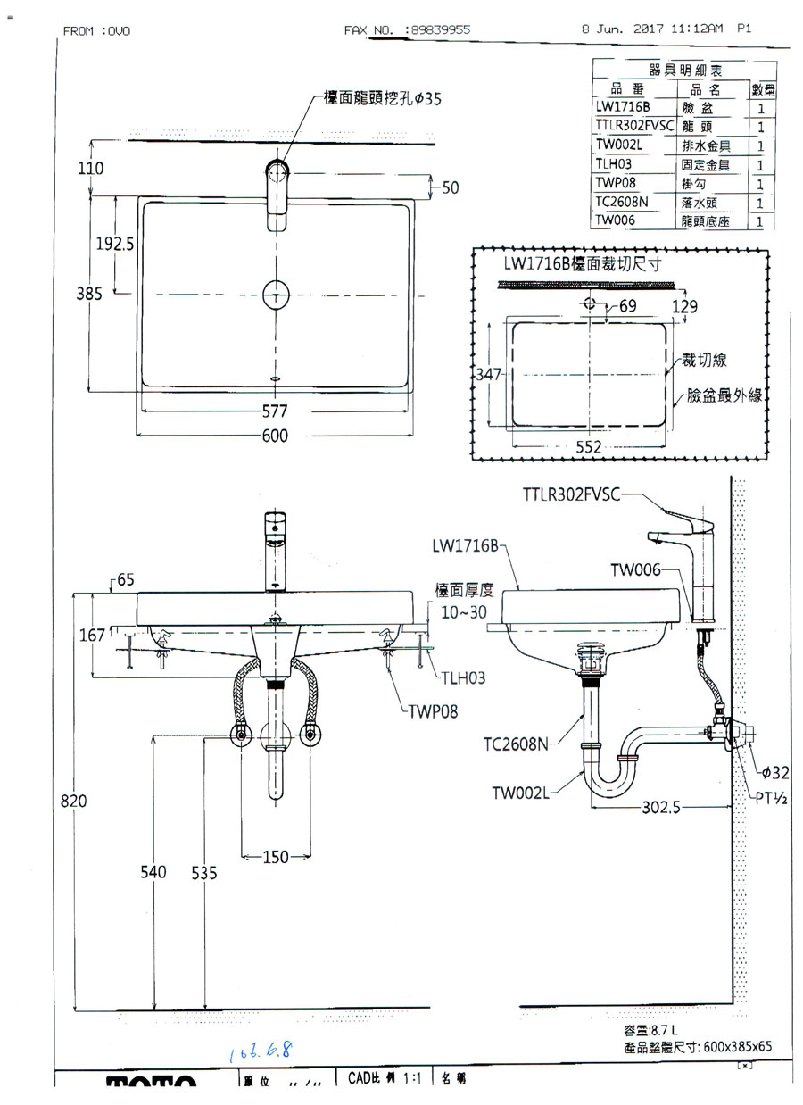
| TOTO | LW1715B | 圖 | |||
| TOTO | LW1716B | 圖 | |||
| TOTO | L1717B | 36×55 | 40×70 | 需開龍頭孔 | |
| TOTO | L5616CE | 46×60 | 有圖,漏水頭距後牆6cm | 圖 | |
| TOTO | L5716E | 38×60 | 後牆到龍頭中心5cm,後牆到???15cm |
| 廠牌 | 盆型 | 檯面盆孔 | 外徑 | 備註 | 圖檔 |
| 隆昌 | L181 | 直徑10cm | 37×56 | 需挖龍頭,可做半嵌盆有槽板 | |
| 隆昌 | L183 | 直徑10cm | 38×56 | 有圖需挖龍頭孔,龍頭中心各6cm | 圖1. 圖2 |
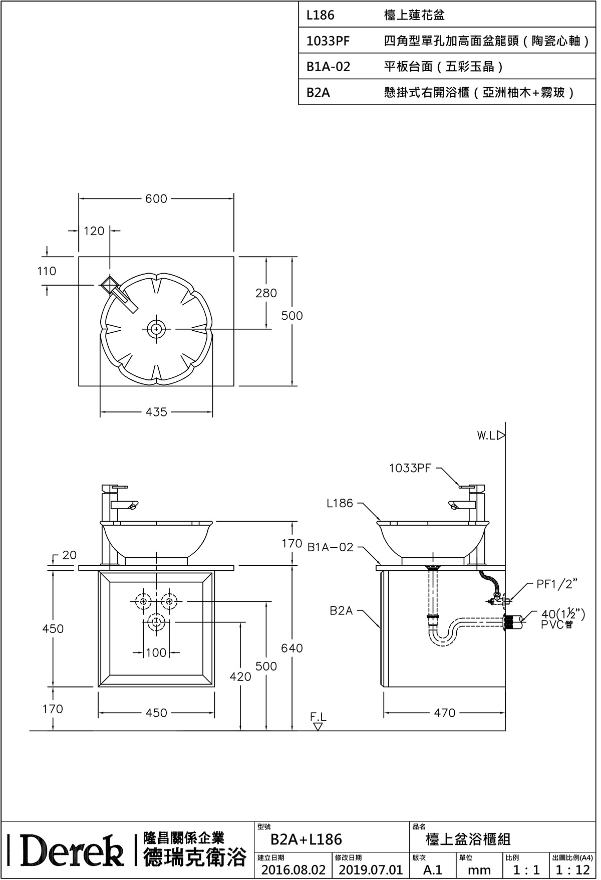
| 隆昌 | L186 | 直徑10cm | 直徑43.5 | 需挖龍頭 (台上蓮花盆) | 圖 |
| 隆昌 | L187 | 直徑10cm | 直徑47.5 | 需挖龍頭,底部24cm | |
| 隆昌 | L188 | 直徑10cm | 龍頭中心距後牆5.8cm,盆中心距後牆17cm | 圖 | |
| 隆昌 | L601 | 直徑10cm | 40×59.5 | 有圖需挖龍鈄孔,磨砂組有板 | 圖 |
| 隆昌 | L602 | 直徑10cm | 龍頭中心距後牆4cm,盆中心距後牆24cm | 圖 | |
| 隆昌 | L603 | 直徑10cm | 35×50 | 有圖需挖龍孔 | 圖 |
| 隆昌 | L605 | 直徑10cm | 42×46 | 需挖龍孔 | |
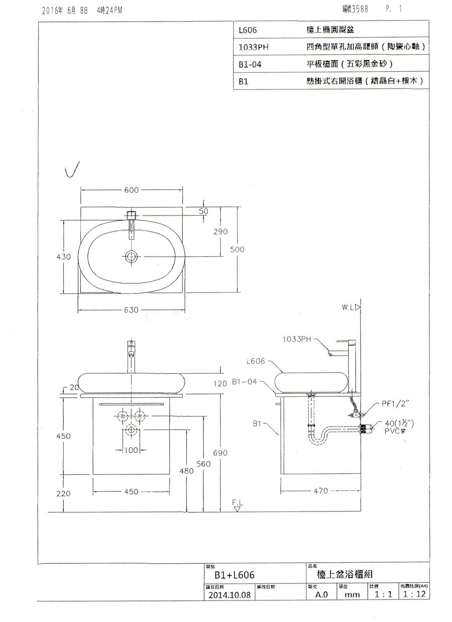
| 隆昌 | L606 | 直徑10cm | 43×63 | 圖 | |
| 隆昌 | L634 | 12×27 | 46×54 | ||
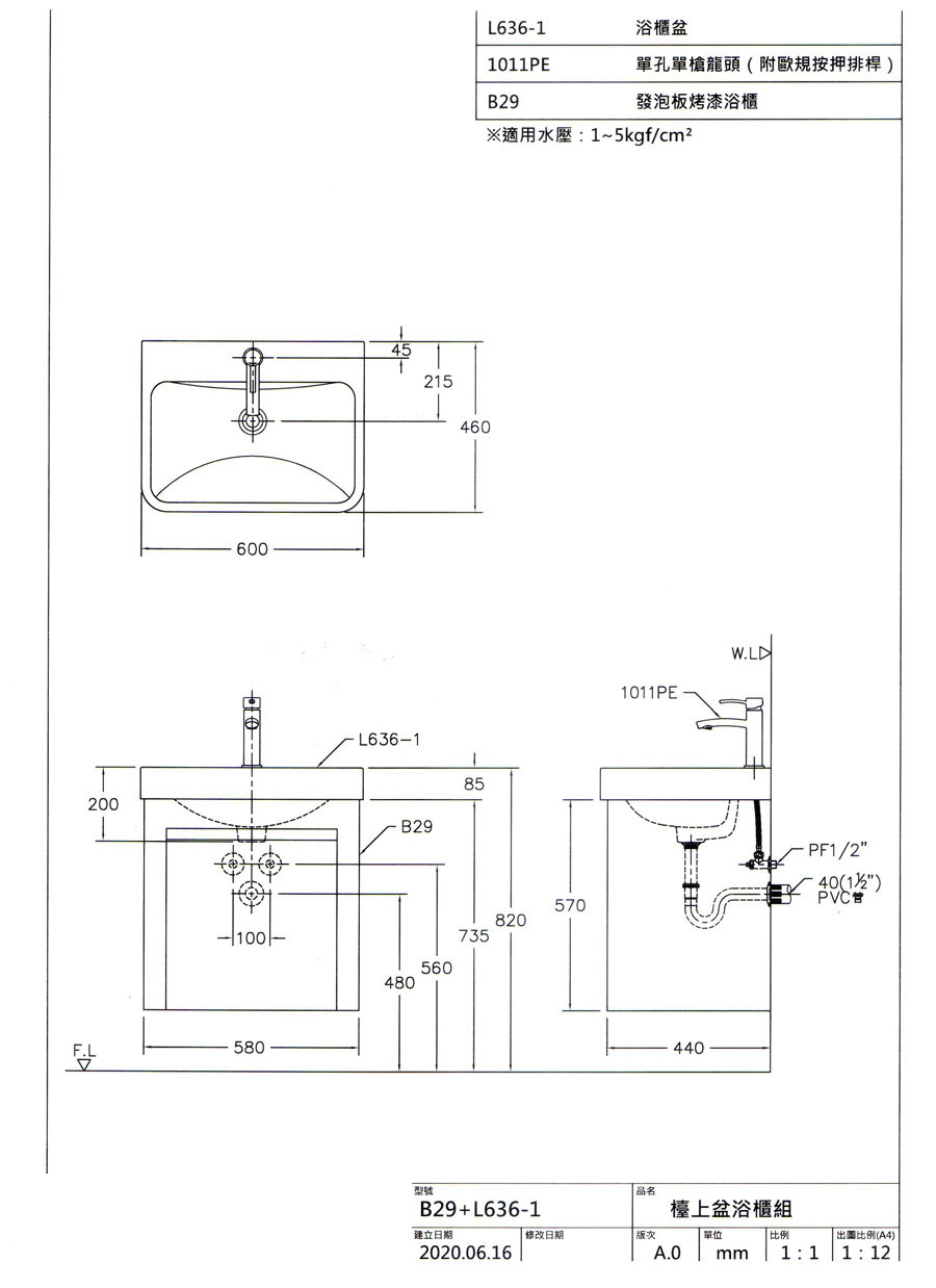
| 隆昌 | L636 | 33×50 | 45×60 | 有圖,龍頭中距後5,板子邊緣距後8.5cm,盆靠後 | 圖1.圖2 |
| 隆昌 | L637 | 直徑10cm | 龍頭中心距後牆6cm,盆中心距後牆19.5cm | 圖 | |
| 隆昌 | L638 | 直徑10cm | 46×46 | 龍頭中心距後牆6cm,盆中心距後牆21.5cm | 圖 |
| 隆昌 | L639 | 直徑10cm | 45.5×60.5 | 龍頭中心距後牆6cm,盆中心距後牆21.5cm | 圖 |
| 隆昌 | L641 | 直徑10cm | 26×50.5 | 盆緣到龍頭中心6.5,盆緣到落水中心20cm | 圖 |
| 隆昌 | L660 | 一體盆 | 34×40 | 龍頭中心距後牆6.5cm,盆邊緣離後牆13cm | |
| 隆昌 | L673 | 直徑10cm | 直徑45.5 | 龍頭中心距後牆6cm,盆中心距後牆26cm | 圖 |
| 隆昌 | WB673 | 直徑10cm | 24×49 | 有圖,盆到龍頭孔6cm,龍頭到落水頭13cm |
| 廠牌 | 盆型 | 檯面盆孔 | 外徑 | 備註 | 圖檔 |
| 凱撒 | ST309 | 直徑36cm | 直徑37cm | ||
| 凱撒 | L5215 | 直徑16cm | 直徑42cm | 需挖龍頭 | |
| 凱撒 | L5216 | 直徑19.5cm | 直徑41cm | ||
| 凱撒 | L5218 | 直徑10cm | 盆中心與龍頭中心距離17cm | ||
| 凱撒 | L5220 | 直徑24.5cm | 直徑51cm | ||
| 凱撒 | L5222 | 直徑10cm | 直徑46cm | ||
| 凱撒 | L5226 | 直徑10cm | 47.5×53 | 需挖龍頭 | |
| 凱撒 | L5228 | 直徑15cm | 直徑47cm | ||
| 凱撒 | L5232 | 直徑9cm | 直徑38cm | ||
| 凱撒 | L5236 | 15×20 | 不挖龍頭 | 圖 | |
| 凱撒 | L5240 | 10×25 | 直徑47cm | ||
| 凱撒 | L5242 | 直徑15cm | 盆中心距後面32cm,不挖龍頭 | ||
| 凱撒 | L5252 | 24×24方型 | 40×40方型 | 四方盆,需挖龍頭 | |
| 凱撒 | L5257 | 直徑10cm | 盆靠後,盆中心距後21,龍頭中心距後6 | ||
| 凱撒 | L5261 | 直徑10cm | 盆靠後,盆中心距後22,龍頭中心距後6 | 圖 |
| 廠牌 | 盆型 | 檯面盆孔 | 外徑 | 備註 |
| 國寶 | L2184 | 直徑10cm | 46.5×56 | 盆中心距後22.5,龍頭距後6cm |
| 廠牌 | 盆型 | 檯面盆孔 | 外徑 | 備註 |
| 美標 | CP-F520 | 10×22 | 不挖龍頭 | |
| 美標 | 550 | 34×44 | 44×54 | |
| 美標 | CP1550 | 12×22 | 40×54.5 | 需挖龍頭 |
| 美標 | 114-482 | 直徑10cm | 45×58 | 龍頭中心距後面5cm,盆中心距後面23cm |
| 美標 | TF0500 | 直徑15cm | 直徑45.5cm | 需挖龍頭 |
| 美標 | TF0501 | 直徑24.5cm | 不挖龍頭 | |
| 美標 | TF0502 | 直徑24cm | 直徑40cm | 需挖龍頭 |
| 美標 | TF0503 | 依版 | 不挖龍頭 | |
| 美標 | TF0504 | 依版 | 不挖龍頭 | |
| 美標 | TF0505 | 33×50 | 不挖龍頭 |
| 廠牌 | 盆型 | 檯面盆孔 | 外徑 | 備註 |
| 京典 | L608 | 直徑10cm | 直徑44cm | 需挖龍頭 |
| 京典 | L641 | 直徑12×25 | 43×51.5 | 不挖龍頭 |
| 京典 | L6403S | 直徑9cm | 龍頭中心距後面5cm,盆中心距後面20.5cm | |
| 京典 | L6404S | 直徑9cm | 龍頭中心距後面5cm,盆中心距後面24.5cm | |
| 京典 | L6405S | 直徑9cm | 龍頭中心距後面5.5cm,盆中心距後面17.5cm |
| 廠牌 | 盆型 | 檯面盆孔 | 外徑 | 備註 |
| 電光 | L2841 | 34.5×37 | 41×41 | |
| 電光 | L5511 | 直徑15cm | 直徑47 | 龍頭中心到後牆10cm,盆中心到後牆18cm |
| 廠牌 | 盆型 | 檯面盆孔 | 外徑 | 備註 |
| INAX | 293 | 10×22 | 10左右,22前後,開孔距後面4cm |
| 廠牌 | 盆型 | 檯面盆孔 | 外徑 | 備註 | 圖檔 |
| 乙納 | K01碗盆 | 直徑10cm | 龍頭中心距後面6cm,盆中心距後面21cm | ||
| 乙納 | K49方盆(小) | 直徑10cm | 41.5×41.5 | 龍頭中心距盆後6cm,盆中心距龍頭中心21cm | 圖 |
| 乙納 | K49方盆(大) | 直徑10cm | 47×47 | 龍頭中心距後面5cm,盆中心距後面20.5cm | |
| 乙納 | KT38碗盆 | 直徑8cm | 龍頭中心距後面5cm,盆中心距後面19cm | ||
| 乙納 | W50T碗盆 | 直徑45cm | 直徑52.5 | 需挖龍頭 | |
| 乙納 | W52T碗盆 | 直徑10cm | 直徑50.5 | 需挖龍頭 | |
| 乙納 | 合136碗盆 | 直徑10cm | 龍頭中心距後面6cm,盆中心距後面23cm | ||
| 乙納 | AP446B碗盆 | 12×28 | 28前後12左右開孔邊距後面4cm | ||
| 乙納 | YQ955(104) | 10×24 | 47×46.5 | 不需挖龍頭,有後牆距2cm,無後牆距5cm挖孔 | |
| 乙納 | YQ976-F65 | 直徑12cm | 43×66 | 盆中心與龍頭中心距11cm | |
| 乙納 | K1134 | 直徑8cm | 直徑40.5 | ||
| 乙納 | L5004碗盆 | 直徑10cm | 直徑46 | 盆中心距後面23cm,盆中心距龍頭中心17cm | |
| 乙納 | #5006碗盆 | 直徑10cm | 40.5×58.5 | 前後40.5,左右58.5,需挖龍頭 | |
| 乙納 | 5013小-碗盆 | 直徑10cm | 38.5×58.5 | 盆中心與龍頭中心9.5cm | |
| 乙納 | 5018 | 直徑10cm | 39×59 | 盆中心距後面19cm,盆中心距龍頭中心15cm | |
| 乙納 | 5128碗盆 | 直徑10cm | 44.5×60 | 盆中心距後面18.5cm,盆中心距龍頭中心13.5cm | |
| 乙納 | L5033碗盆 | 直徑8cm | 直徑43 | 需挖龍頭 | |
| 乙納 | L5083碗盆 | 直徑8cm | 龍頭中心距後面20.5cm,盆中心距後面14cm | ||
| 乙納 | L5083A碗盆 | 直徑8cm | 龍頭中心距後面6cm,盆中心距後面21cm |
| 廠牌 | 盆型 | 檯面盆孔 | 外徑 | 備註 |
| 乙納 | 5149四方盆 | 直徑10cm | 40×54.5 | 需挖龍頭 |
上嵌盆
| 廠牌 | 盆型 | 檯面盆孔 | 外徑 | 備註 | 圖檔 |
| ?? | 807 | 45×56 | 圖 |
| 廠牌 | 盆型 | 檯面盆孔 | 外徑 | 備註 |
| 凱撒 | L5010 | 46.2×57.2 | ||
| 凱撒 | 5018 | 43×50 | ||
| 凱撒 | 5020S | 49×59 | 42×52.5 | 同電光L1821板 |
| 凱撒 | L5022 | 36×44 | 需挖龍頭 |
| 廠牌 | 盆型 | 檯面盆孔 | 外徑 | 備註 |
| 電光 | L1824 | 44.5×56 | 同電光L1821板 | |
| 電光 | L1830 | 44.5×53 | 同電光L1831板 |
| 廠牌 | 盆型 | 檯面盆孔 | 外徑 | 備註 |
| 隆昌 | L168 | 44.5×54 |
| 廠牌 | 盆型 | 檯面盆孔 | 外徑 | 備註 | 圖檔 |
| 和成 | L186 | 45.5×55.5 | |||
| 和成 | L325 | 37.6×59.2 | |||
| 和成 | L363 | 44×54 | |||
| 和成 | L365 | 45×45 | |||
| 和成 | L521 | 44×48 | |||
| 和成 | L525 | 49.5×60.2 | |||
| 和成 | L4002 | 圖 |
| 廠牌 | 盆型 | 檯面盆孔 | 外徑 | 備註 |
| Caroma | 633215 | 40×55 |
| 廠牌 | 盆型 | 檯面盆孔 | 外徑 | 備註 | 圖檔 |
| TOTO | L223 | 48×57 | |||
| TOTO | L260 | 48.5×60.5 | 50.5×69 | 重18kg,盆需靠牆,檯面完成呈凹型 | |
| TOTO | L311 | 46.3×69.6 | |||
| TOTO | L330 | 39×58.3 | |||
| TOTO | L517 | 37×45 | 需挖龍頭 | ||
| TOTO | L530 | 直徑42 | 直徑45 | 需挖龍頭,可做碗盆 | |
| TOTO | L538四方盆 | 48×48 | |||
| TOTO | L851 | 45×55.8 | 同莊頭北LS30 | ||
| TOTO | L861 | 42×53 | |||
| TOTO | L909 | 43×62.2 | |||
| TOTO | L910 | 5x34x34 | 不挖龍頭 | ||
| TOTO | L911 | 36×52 | 45×59.5 | 開孔離後牆留4cm | |
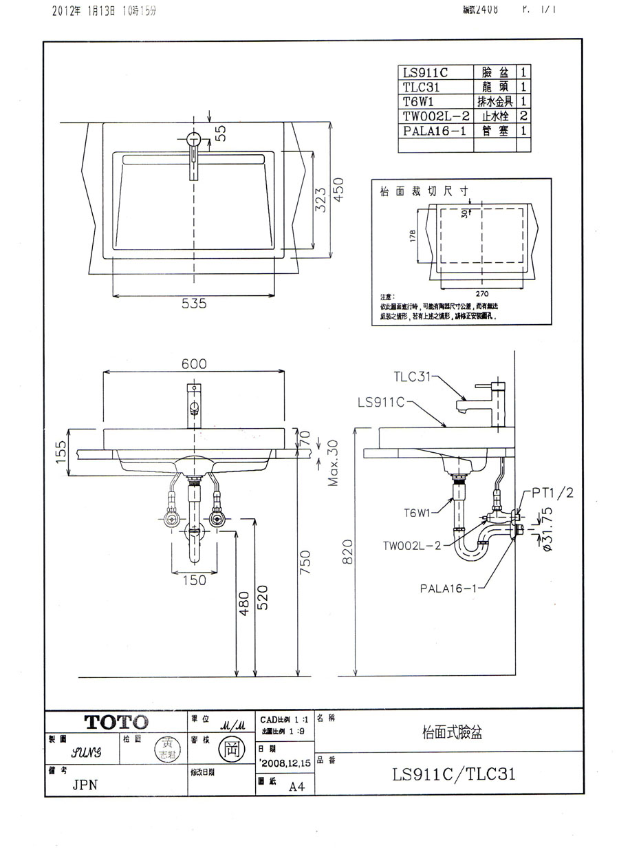
| TOTO | LS911C | 45×60 | (2008年版) | 圖 | |
| TOTO | L941 | 50.5×58 | |||
| TOTO | L946 | 48×58 | |||
| TOTO | L5715 | 38×50 | 38×50 | 需挖龍頭,淨56,前緣7cm | |
| TOTO | L5716E | 35×50 | 38×60 | 需挖龍頭 |
| 廠牌 | 盆型 | 檯面盆孔 | 外徑 | 備註 | 圖檔 |
| 京典 | L518 | 38×38四方孔 | 43.5×43.5 | ||
| 京典 | L520 | 44×55.5 | 需挖龍頭 | ||
| 京典 | L5001S方盆 | 46.5×46.5 | 不挖龍頭,挖直徑39cm,同516S | ||
| 京典 | L5002 | 44×57 | 需挖龍頭、橢圓同L512 | ||
| 京典 | L5003 | 31×60 | 34.5×64 | 需挖龍頭,同L530 | |
| 京典 | L5004 | 32.7×62 | 36×64 | 需挖龍頭,同L523 | |
| 京典 | L5005 | 40.5×51 | 需挖龍頭,同L534 | ||
| 京典 | L5007 | 47×56 | 不挖龍頭 | ||
| 京典 | L5008 | 直徑41 | 直徑46 | 龍頭居中檯面深度需61cm,否則龍頭需外斜 | |
| 京典 | L5009 | 38.5×49.5 | 44×55.5 | 需挖龍頭 | |
| 京典 | L5011 | 40×49 | 需挖龍頭,開孔邊至龍頭中心5cm | ||
| 京典 | L7001 | 直徑42 | 直徑47 | 需挖龍頭 | |
| 京典 | L8705 | 49×63 | 53.5×71 | 重26kg,洗衣槽需靠牆,不挖龍頭 | 圖1 |